|信号的基本运算单元——反相器|
开始实验前请先先下载插件:点击下载
一、实验目的
1.掌握在分析运算电路时“虚短”、“虚断”的概念;
2.掌握集成运算放大器的基本特性及测量方法;
3.掌握反相器的基本结构和工作原理。
二、实验仪器
1.交流电压源(有效值)
2.Ground
3.VSS
4.VCC
5.普通电阻
6.运算放大器 UA741CD
7.交流电压表
8.泰克示波器:TBS1102
三、实验的理论基础
1.集成运算放大器基本特性
集成运算放大器符号如图1所示。

图1 集成运放的电器符号
设运算放大器“+”和“-”两输入端输入信号分别为u+和u-,它们的差为uid=u+ - u-,输出信号为uo,则集成运放的电压传输特性如图2所示。

图2 集成运放的电压传输特性
由图2(a)集成运放的实际电压传输特性知,集成运放可工作在线性区(|uid|<Uim)和非线性区(|uid|≥Uim)。在线性区,曲线的斜率为电压放大倍数Aud;在非线性区只有两种电压输出。通常集成运算放大器电压增益极高,所以线性区曲线的斜率极为陡峭,即使输入毫伏级以下的信号,也足以使输出电压饱和。
图2(b)为集成运放的理想电压传输特性,该理想电压传输特性显示了运算放大器作为电压比较器的工作方式,可用于判别u+和u-电位的大小。
由集成运放的电压传输特性可知:集成运放的工作方式有两种,其一为线性放大方式,在此方式下,为保证输入一定范围电压信号的线性放大,必须减小运算放大器的电压增益,因此集成运算放大器必须工作在负反馈状态下;其二为电压比较器方式,此时运算放大器必须工作在开环或正反馈状态。
2.集成运算放大器的“虚断”、“虚短”原则
理想集成运算放大器特性如下:①开环电压增益为无穷大;②输入阻抗为无穷大;③输出阻抗为0;④带宽为无穷大;⑤共模抑制比为无穷大;⑥输入偏置电流为0;⑦输入失调电压、输入失调电流及它们的漂移均为0。
基于上述理想运放的基本特性,在进行电路分析时,要灵活应用“虚短”、“虚断”两个原则。
(1)“虚短”原则
理想运算放大器工作在线性状态时有:uo=Aud (u+ - u-),而Aud→∞,所以
u+ - u- =uo/Aud →0
上式表明,理想运算放大器工作在线性放大方式时,同相输入端的电位u+与反相输入端电位u-一样,好似它们两者“短路”一样。
理想运算放大器工作在非线性状态时,因为uo≠Aud (u+ - u-),则u+ ≠u-。
“虚短”表示理想运放工作在线性状态时两输入端的电位相等。当某一个输入端的实际电位为“地”电位时,另一端可称之为“虚地”。
“虚短”原则只适用于运算放大器的线性应用状态,即运算放大器工作在负反馈状态下。
(2)“虚断”原则
由于理想运放的输入阻抗为无穷大,因此运放的两个输入端无电流流进(流出),如同两个输入端从运算放大器中“断开”了一样。
该法则适用于理想运放的所有工作状态(线性和非线性工作状态)。
3.信号的基本运算单元--反相器
在信号的处理运算单元中,常用的有:加法器、减法器、倍乘器、反相器、积分器、微分器等,通过这些基本运算单元可以构建十分复杂的信号处理系统。下面对反相器的功能进行说明。
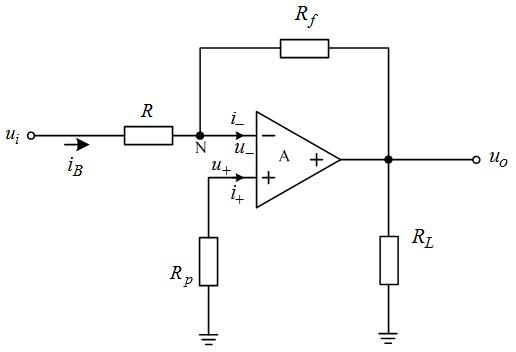
反相器电路如图3所示,该电路是一个典型的电压并联负反馈电路。输入电压ui通过电阻R作用于集成运放的反相输入端,因此输出电压uo与ui反相。同相输入端通过电阻Rp接地,输出电压uo经反馈电阻Rf接回到反相输入端,形成负反馈,其中Rp称为平衡电阻,以保证集成运放输入级差分放大电路的对称性,其值为ui=0(即将输入端接地)时反相输入端总等效电阻,即各支路电阻的并联,因此Rp=R//Rf。

图3 反相器电路原理图
根据“虚断”原则,有:i+=i-=0
根据“虚短”原则,有:u+=u-
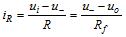
因此,节点N的电流方程为:
对于上述电路,显然u+=Rpi+=0,整理上述方程得:

可见,反相比例运算电路的输出电压信号与输入电压成比例,且相位相反。该电路的电压放大倍数为:

当R=Rf时,上述电路为单位增益导相器,即反相器。